Ceowniki UPN to jeden z najbardziej rozpoznawalnych profili walcowanych na gorąco o przekroju przypominającym literę U. Spotkasz je w konstrukcjach stalowych, warsztatach, prefabrykacji i wszędzie tam, gdzie liczy się prosty, „wdzięczny” do łączenia kształt, dobra nośność w jednym kierunku i szybki montaż.
Poniżej znajdziesz praktyczny przegląd: jak czytać wymiary i parametry, co oznaczają charakterystyki przekroju oraz gdzie UPN sprawdza się najlepiej.
Co to jest ceownik UPN?
UPN to oznaczenie serii ceowników o typowych proporcjach i pochylonych (zwężających się) półkach. Z punktu widzenia projektowania najważniejsze jest to, że:
- przekrój jest niesymetryczny (w odróżnieniu od dwuteowników),
- ma „otwarty” kształt U, przez co jest wrażliwszy na skręcanie niż profile zamknięte (np. rury, prostokąty),
- dobrze przenosi zginanie w kierunku „mocniejszej” osi (zależnie od ustawienia profilu).
W praktyce ceowniki często pracują jako elementy drugorzędne (rygle, płatwie, belki pod urządzenia), ale przy dobrym układzie stężeń i połączeń mogą być też podstawą większych konstrukcji.
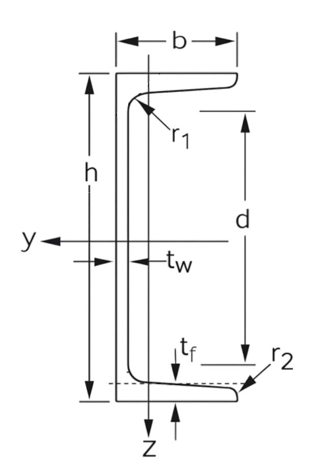
Wymiary ceownika UPN – jak je rozumieć?
W katalogach i tabelach najczęściej pojawiają się:
- h [mm] – wysokość profilu (to zwykle liczba w nazwie, np. UPN 200 → h ≈ 200 mm),
- b [mm] – szerokość półki,
- tw [mm] – grubość środnika,
- tf [mm] – grubość półki,
- r₁, r₂ [mm] – promienie zaokrągleń (istotne przy dopasowaniu blach, spoin i przy modelowaniu),
- dodatkowe parametry typu sₛ i d – zależnie od zestawienia: mogą opisywać m.in. efektywne szerokości, odsadzenia lub wymiar geometryczny związany z pochyleniem półek.
W praktyce projektowej najczęściej używa się: h, b, tw, tf oraz masa na metr.
Najważniejsze charakterystyki przekroju
Poniżej rozwinięto oznaczenia charakterystyki przekroju ceowników:
1) Pole przekroju i masa
- A [cm²] – pole przekroju,
- G [kg/m] – masa 1 metra profilu.
To baza do szybkiego szacowania ciężaru konstrukcji, kosztów transportu, doboru podpór montażowych itd.
2) Momenty bezwładności i wskaźniki wytrzymałości
Dla dwóch osi (u Ciebie oznaczonych jako y–y i z–z) masz zwykle:
- I [cm⁴] – moment bezwładności (od niego zależą ugięcia),
- Wel [cm³] – wskaźnik wytrzymałości sprężysty (dla stanu sprężystego),
- Wpl [cm³] – wskaźnik plastyczny (dla obliczeń w stanie plastycznym, jeśli model i normy na to pozwalają),
- i [cm] – promień bezwładności (ważny przy smukłości i stateczności).
W skrócie:
- większe I → mniejsze ugięcie,
- większe W → większa nośność na zginanie (przy tym samym materiale).
3) Ścinanie
- Aᵥ [cm²] (lub: Aᵥz) – efektywne pole do ścinania.
Przy krótkich belkach, podparciach, podporach pod urządzenia lub przy dużych siłach poprzecznych ten parametr jest bardzo użyteczny.
4) Skręcanie i wyboczenie giętno-skrętne
Dla profili otwartych ważne są:
- Iₜ [cm⁴] – stała skręcania Saint-Venanta,
- Iw [cm⁶] – stała wyboczenia skrętnego (warping).
Ceownik (jako przekrój otwarty) potrafi „nieprzyjemnie” reagować na obciążenia niesymetryczne i brak stężeń. Te dwie wielkości pomagają ocenić wrażliwość na skręcanie i przewidzieć potrzebę stężenia/usztywnienia.
5) Położenie środków
- yₛ, yₘ [cm] – odległości związane z położeniem środka ciężkości i/lub środka ścinania.
To krytyczne, gdy:
- obciążasz profil „z boku” (np. mimośrodowo),
- projektujesz połączenia i chcesz ograniczyć skręcanie,
- dobierasz usztywnienia i układ stężeń.
Jak dobiera się ceownik UPN w praktyce?
Jeśli chcesz szybko wstępnie dobrać profil (na etapie koncepcji), zwykle patrzy się kolejno:
- G [kg/m] – czy masa i gabaryt są akceptowalne,
- W el,z (albo odpowiedni wskaźnik w osi głównej pracy) – „czy element ma szansę przenieść moment”,
- I z – czy ugięcia nie będą problemem,
- Aᵥ – gdy jest duże ścinanie,
- Iₜ, Iw oraz geometria i podparcie – gdy istnieje ryzyko skręcania i stateczności.
Ceowniki UPN – dane katalogowe
| Symbol | Wymiary | Przekrój | Oś y–y | Oś z–z / skręcanie / środki | |||||||||||||||||||
|---|---|---|---|---|---|---|---|---|---|---|---|---|---|---|---|---|---|---|---|---|---|---|---|
| h [mm] |
b [mm] |
tw [mm] |
tf [mm] |
r1 [mm] |
r2 [mm] |
ss [mm] |
d [mm] |
A [cm²] |
G [kg/m] |
Iy [cm⁴] |
Wel,y [cm³] |
Wpl,y [cm³] |
iy [cm] |
Avz [cm²] |
Iz [cm⁴] |
Wel,z [cm³] |
Wpl,z [cm³] |
iz [cm] |
It [cm⁴] |
Iw [cm⁶] |
ys [cm] |
ym [cm] |
|
| UPN 50 | 50 | 38 | 5 | 7 | 7 | 3.5 | 16.7 | 20.84 | 7.12 | 5.59 | 26.4 | 10.6 | 13.1 | 1.92 | 2.77 | 9.12 | 3.75 | 6.78 | 1.13 | 1.12 | 30 | 1.37 | 2.47 |
| UPN 65 | 65 | 42 | 5.5 | 7.5 | 7.5 | 4 | 18 | 33.67 | 9.03 | 7.09 | 57.5 | 17.7 | 21.7 | 2.52 | 3.68 | 14.1 | 5.07 | 9.38 | 1.25 | 1.61 | 80 | 1.42 | 2.6 |
| UPN 80 | 80 | 45 | 6 | 8 | 8 | 4 | 19.4 | 47 | 11 | 8.64 | 106 | 26.5 | 32.3 | 3.1 | 4.9 | 19.4 | 6.36 | 11.9 | 1.33 | 2.2 | 180 | 1.45 | 2.67 |
| UPN 100 | 100 | 50 | 6 | 8.5 | 8.5 | 4.5 | 20.3 | 64 | 13.5 | 10.6 | 206 | 41.2 | 49 | 3.91 | 6.46 | 29.3 | 8.49 | 16.2 | 1.47 | 2.81 | 410 | 1.55 | 2.93 |
| UPN 120 | 120 | 55 | 7 | 9 | 9 | 4.5 | 22.2 | 82 | 17 | 13.4 | 364 | 60.7 | 72.6 | 4.62 | 8.8 | 43.2 | 11.1 | 21.2 | 1.59 | 4.15 | 900 | 1.6 | 3.03 |
| UPN 140 | 140 | 60 | 7 | 10 | 10 | 5 | 23.9 | 98 | 20.4 | 16 | 605 | 86.4 | 103 | 5.45 | 10.41 | 62.7 | 14.8 | 28.3 | 1.75 | 5.68 | 1800 | 1.75 | 3.37 |
| UPN 160 | 160 | 65 | 7.5 | 10.5 | 10.5 | 5.5 | 25.3 | 115 | 24 | 18.8 | 925 | 116 | 138 | 6.21 | 12.6 | 85.3 | 18.3 | 35.2 | 1.89 | 7.39 | 3260 | 1.84 | 3.56 |
| UPN 180 | 180 | 70 | 8 | 11 | 11 | 5.5 | 26.7 | 133 | 28 | 22 | 1350 | 150 | 179 | 6.95 | 15.09 | 114 | 22.4 | 42.9 | 2.02 | 9.55 | 5570 | 1.92 | 3.75 |
| UPN 200 | 200 | 75 | 8.5 | 11.5 | 11.5 | 6 | 28.1 | 151 | 32.2 | 25.3 | 1910 | 191 | 228 | 7.7 | 17.71 | 148 | 27 | 51.8 | 2.14 | 11.9 | 9070 | 2.01 | 3.94 |
| UPN 220 | 220 | 80 | 9 | 12.5 | 12.5 | 6.5 | 30.3 | 167 | 37.4 | 29.4 | 2690 | 245 | 292 | 8.48 | 20.62 | 197 | 33.6 | 64.1 | 2.3 | 16 | 14600 | 2.14 | 4.2 |
| UPN 240 | 240 | 85 | 9.5 | 13 | 13 | 6.5 | 31.7 | 184 | 42.3 | 33.2 | 3600 | 300 | 358 | 9.22 | 23.71 | 248 | 39.6 | 75.7 | 2.42 | 19.7 | 22100 | 2.23 | 4.39 |
| UPN 260 | 260 | 90 | 10 | 14 | 14 | 7 | 33.9 | 200 | 48.3 | 37.9 | 4820 | 371 | 442 | 9.99 | 27.12 | 317 | 47.7 | 91.6 | 2.56 | 25.5 | 33300 | 2.36 | 4.66 |
| UPN 280 | 280 | 95 | 10 | 15 | 15 | 7.5 | 35.6 | 216 | 53.3 | 41.8 | 6280 | 448 | 532 | 10.9 | 29.28 | 399 | 57.2 | 109 | 2.74 | 31 | 48500 | 2.53 | 5.02 |
| UPN 300 | 300 | 100 | 10 | 16 | 16 | 8 | 37.3 | 232 | 58.8 | 46.2 | 8030 | 535 | 632 | 11.7 | 31.77 | 495 | 67.8 | 130 | 2.9 | 37.4 | 69100 | 2.7 | 5.41 |
| UPN 320 | 320 | 100 | 14 | 17.5 | 17.5 | 8.75 | 43 | 246 | 75.8 | 59.5 | 10870 | 679 | 826 | 12.1 | 47.11 | 597 | 80.6 | 152 | 2.81 | 66.7 | 96100 | 2.6 | 4.82 |
| UPN 350 | 350 | 100 | 14 | 16 | 16 | 8 | 40.7 | 282 | 77.3 | 60.6 | 12840 | 734 | 918 | 12.9 | 50.84 | 570 | 75 | 143 | 2.72 | 61.2 | 114000 | 2.4 | 4.45 |
| UPN 380 | 380 | 102 | 13.5 | 16 | 16 | 8 | 40.3 | 313 | 80.4 | 63.1 | 15760 | 829 | 1010 | 14 | 53.23 | 615 | 78.7 | 148 | 2.77 | 59.1 | 146000 | 2.38 | 4.58 |
| UPN 400 | 400 | 110 | 14 | 18 | 18 | 9 | 44 | 324 | 91.5 | 71.8 | 20350 | 1020 | 1240 | 14.9 | 58.55 | 846 | 102 | 190 | 3.04 | 81.6 | 221000 | 2.65 | 5.11 |
*Wartości mają charakter poglądowy. Przed użyciem w obliczeniach należy je zweryfikować wg DIN 1026 oraz EN 10163
Typowe zastosowania ceowników UPN
UPN w praktyce pojawia się bardzo często w:
- konstrukcjach hal i wiat – rygle, belki pomocnicze, elementy pod obudowę,
- konstrukcjach wsporczych – ramy pod urządzenia, podesty, ciągi technologiczne,
- bramach, ogrodzeniach, konstrukcjach warsztatowych – łatwe do spawania i wiercenia,
- wzmocnieniach istniejących elementów – np. „dokładki” do belek, obejmy, elementy przy podporach,
- konstrukcjach schodów i pomostów – belki policzkowe (często w parach lub z przewiązkami).
Wersje w parach (np. dwa ceowniki „plecami do siebie”) są popularne, bo:
- poprawiają symetrię przekroju,
- zmniejszają skłonność do skręcania,
- ułatwiają prowadzenie połączeń i mocowanie płyt/blach.
Zalety i ograniczenia UPN
Zalety:
- prosty do łączenia (spawanie, śruby, blachy czołowe),
- dobry kompromis masa/nośność dla elementów drugorzędnych,
- wygodny przy budowie ram i wsporników,
- duża dostępność na rynku.
Ograniczenia:
- przekrój otwarty → większa podatność na skręcanie,
- niesymetryczność → przy mimośrodowych obciążeniach łatwo „skręcić” element,
- w wielu układach wymaga sensownego stężenia lub pracy w parze.

