Dwuteowniki stalowe należą do najważniejszych elementów stosowanych w konstrukcjach nośnych. Dzięki charakterystycznemu przekrojowi w kształcie litery H, zapewniają bardzo dobrą sztywność oraz korzystny stosunek nośności do masy. Wśród różnych typów dwuteowników wyróżnia się seria HL, przeznaczona do zastosowań wymagających wyjątkowo dużej wytrzymałości i stabilności.
Dwuteowniki HL są profilami szerokostopowymi o znacznej wysokości i szerokich półkach, co sprawia, że doskonale sprawdzają się w konstrukcjach o wysokich wymaganiach statycznych. Ich parametry pozwalają na przenoszenie bardzo dużych momentów zginających oraz pracy w warunkach znacznych obciążeń.
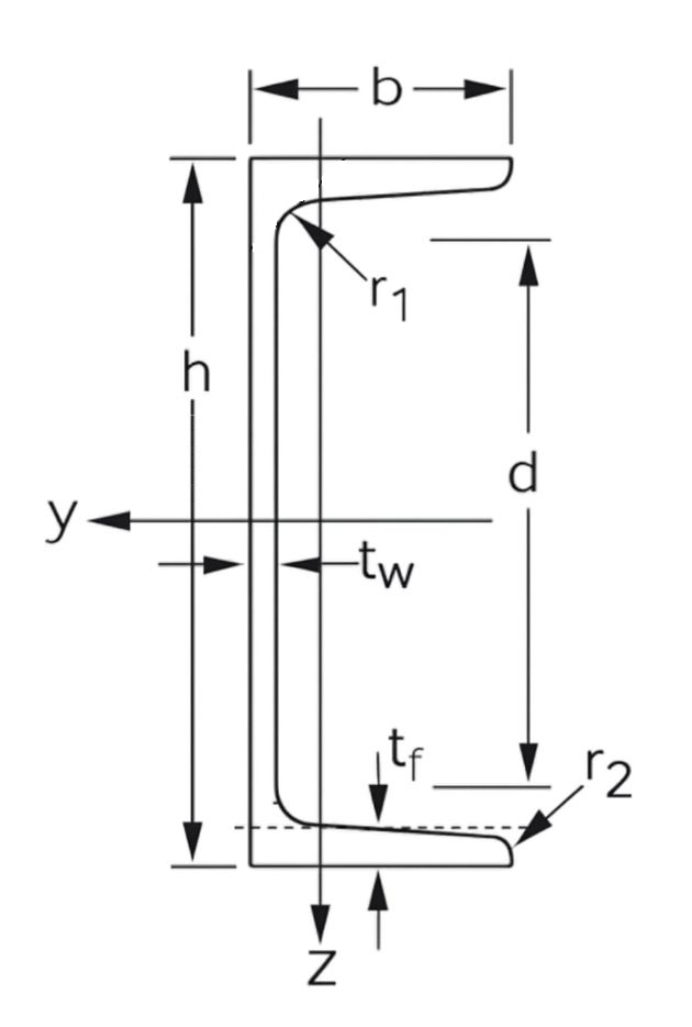
Budowa i oznaczenia dwuteowników HL
Oznaczenie dwuteownika HL składa się z:
- wysokości profilu (np. 920, 1000, 1100 mm),
- masy na metr bieżący (np. HL 920×342 oznacza profil o masie 342 kg/m).
Charakterystyczne cechy profili HL:
- duża wysokość środnika, często przekraczająca 900 mm,
- szerokie półki, zapewniające stabilność boczną,
- gruby środnik oraz półki, zdolne do przenoszenia wysokich naprężeń,
- duże momenty bezwładności, szczególnie ważne przy obciążeniach zginających.
Dzięki tym cechom dwuteowniki HL są klasyfikowane jako profile ciężkie, przeznaczone do konstrukcji wymagających maksymalnych parametrów wytrzymałościowych.
Dwuteowniki HL – dane katalogowe
| Symbol | Wymiary | A [cm²] |
G [kg/m] |
Oś x–x | Oś y–y | ||||||||
|---|---|---|---|---|---|---|---|---|---|---|---|---|---|
| h [mm] |
b [mm] |
tw [mm] |
tf [mm] |
r [mm] |
Ix [cm⁴] |
Wx [cm³] |
ix [cm] |
Iy [cm⁴] |
Wy [cm³] |
iy [cm] |
|||
| HL 920 X 342 | 912 | 418 | 19.3 | 32 | 24 | 436.13 | 342.36 | 624900 | 13700 | 37.85 | 39010 | 1866.73 | 9.46 |
| HL 920 X 365 | 916 | 419 | 20.3 | 34.3 | 24 | 464.40 | 364.55 | 670500 | 14639.72 | 37.99 | 42120 | 2010.68 | 9.52 |
| HL 920 X 387 | 921 | 420 | 21.3 | 36.6 | 24 | 492.97 | 386.98 | 718300 | 15600 | 38.17 | 45280 | 2155.98 | 9.58 |
| HL 920 X 417 | 928 | 422 | 22.5 | 39.9 | 24 | 532.55 | 417 | 787600 | 16970 | 38.46 | 50070 | 2373.03 | 9.70 |
| HL 920 X 446 | 933 | 423 | 24 | 42.7 | 24 | 569.61 | 446 | 846800 | 18150 | 38.56 | 53980 | 2552.12 | 9.73 |
| HL 920 X 488 | 942 | 422 | 25.9 | 47 | 24 | 621.26 | 487.69 | 935400 | 19859.62 | 38.80 | 59010 | 2796.63 | 9.74 |
| HL 920 X 534 | 950 | 425 | 28.4 | 51.1 | 24 | 680.07 | 533.85 | 1031000 | 21710.20 | 38.94 | 65560.47 | 3085.20 | 9.82 |
| HL 920 X 585 | 960 | 427 | 31 | 55.9 | 24 | 745.20 | 585.04 | 1143000 | 23810 | 39.16 | 72770 | 3408.31 | 9.88 |
| HL 920 X 653 | 972 | 431 | 34.5 | 62 | 24 | 831.94 | 653.08 | 1292000 | 26590 | 39.41 | 83050 | 3853.74 | 9.99 |
| HL 920 X 784 | 996 | 437 | 40.9 | 73.9 | 24 | 997.74 | 784 | 1593000 | 31980 | 39.95 | 103300 | 4727.89 | 10.18 |
| HL 920 X 967 | 1028 | 446 | 50 | 89.9 | 24 | 1230.95 | 967 | 2033000 | 39540 | 40.63 | 133900 | 6002.56 | 10.43 |
| HL 920 x 344 | 927 | 418 | 19.3 | 32 | 19 | 437.20 | 344 | 645000 | 13920 | 38.41 | 39010 | 1867 | 9.45 |
| HL 920 x 368 | 931 | 419 | 20.3 | 34.3 | 19 | 465.60 | 368 | 692200 | 14870 | 38.56 | 42120 | 2010 | 9.51 |
| HL 920 x 390 | 936 | 420 | 21.3 | 36.6 | 19 | 494.30 | 390 | 741700 | 15850 | 38.74 | 45270 | 2156 | 9.57 |
| HL 920 x 420 | 943 | 422 | 22.5 | 39.9 | 19 | 534.10 | 420 | 813300 | 17250 | 39.02 | 50070 | 2373 | 9.68 |
| HL 920 x 449 | 948 | 423 | 24 | 42.7 | 19 | 571.40 | 449 | 874700 | 18450 | 39.13 | 53970 | 2552 | 9.72 |
| HL 920 x 491 | 957 | 422 | 25.9 | 47 | 19 | 623.30 | 491 | 966300 | 20200 | 39.37 | 59000 | 2796 | 9.73 |
| HL 920 x 537 | 965 | 425 | 28.4 | 51.1 | 19 | 682.50 | 537 | 1066000 | 22080 | 39.51 | 65550 | 3085 | 9.80 |
| HL 920 x 588 | 975 | 427 | 31 | 55.9 | 19 | 748.08 | 588 | 1181000 | 24230.39 | 39.74 | 72760 | 3408 | 9.86 |
| HL 920 x 656 | 987 | 431 | 34.5 | 62 | 19 | 835.30 | 656 | 1335000 | 27060 | 39.98 | 83040 | 3853 | 9.97 |
| HL 920 x 725 | 999 | 434 | 38.1 | 68.1 | 19 | 922.90 | 725 | 1492000 | 29880 | 40.21 | 93200 | 4295 | 10.05 |
| HL 920 x 787 | 1011 | 437 | 40.9 | 73.9 | 19 | 1002.00 | 787 | 1646000 | 32560 | 40.53 | 103300 | 4728 | 10.15 |
| HL 920 x 970 | 1043 | 446 | 50 | 89.9 | 19 | 1236.60 | 970 | 2100000 | 40270 | 41.21 | 133900 | 6002 | 10.40 |
| HL 1000 AA | 982 | 400 | 16.5 | 27.1 | 30 | 377.61 | 296 | 620300 | 12630 | 40.53 | 28960 | 1448.05 | 8.76 |
| HL 1000 A | 990 | 400 | 16.5 | 31 | 30 | 408.85 | 321 | 696400 | 14069.62 | 41.27 | 33120 | 1656.06 | 9.00 |
| HL 1000 B | 1000 | 400 | 19 | 36.1 | 30 | 472.81 | 371 | 813700 | 16270 | 41.49 | 38580 | 1929.12 | 9.03 |
| HL 1000 M | 1008 | 402 | 21.1 | 40 | 30 | 525.13 | 412 | 910500 | 18070 | 41.64 | 43400 | 2159.60 | 9.09 |
| HL 1000 x 443 | 1012 | 402 | 23.6 | 41.9 | 30 | 563.70 | 443 | 966500 | 19100 | 41.41 | 45500 | 2263.56 | 8.98 |
| HL 1000 x 483 | 1020 | 404 | 25.4 | 46 | 30 | 615.10 | 483 | 1067000 | 20930 | 41.62 | 50710 | 2510.48 | 9.08 |
| HL 1000 x 539 | 1030 | 407 | 28.4 | 51.1 | 30 | 687.20 | 539 | 1203000 | 23350.25 | 41.83 | 57630 | 2832.03 | 9.16 |
| HL 1000 x 554 | 1032 | 408 | 29.5 | 52 | 30 | 705.80 | 554 | 1232000 | 23880 | 41.79 | 59100 | 2896.97 | 9.15 |
| HL 1000 x 591 | 1040 | 409 | 31 | 55.9 | 30 | 752.70 | 591 | 1331000 | 25600 | 42.05 | 64010 | 3130.25 | 9.22 |
| HL 1000 x 642 | 1048 | 412 | 34 | 60 | 30 | 817.60 | 642 | 1451000 | 27680 | 42.12 | 70280 | 3411.86 | 9.27 |
| HL 1000 x 748 | 1068 | 417 | 39 | 70 | 30 | 953.40 | 748 | 1732000 | 32430 | 42.62 | 85110 | 4082.07 | 9.45 |
| HL 1000 x 883 | 1092 | 424 | 45.5 | 82 | 30 | 1125.30 | 883 | 2096000 | 38390 | 43.16 | 105000 | 4951.51 | 9.66 |
| HL 1100 A | 1090 | 400 | 18 | 31 | 20 | 436.50 | 343 | 867400 | 15920 | 44.58 | 33120 | 1656.17 | 8.71 |
| HL 1100 B | 1100 | 400 | 20 | 36 | 20 | 497.00 | 390 | 1005000 | 18279.95 | 44.97 | 38480 | 1923.81 | 8.79 |
| HL 1100 M | 1108 | 402 | 22 | 40 | 20 | 551.20 | 433 | 1126000 | 20320 | 45.19 | 43409.78 | 2159.69 | 8.87 |
| HL 1100 R | 1118 | 405 | 26 | 45 | 20 | 635.20 | 499 | 1294000 | 23149.54 | 45.13 | 49980 | 2468.35 | 8.87 |
*Wartości mają charakter poglądowy. Przed użyciem w obliczeniach należy je zweryfikować wg ASTM A 6/A 6M
Dwuteowniki szerokostopowe HL- oznaczenie symboli
- h [mm] – wysokość dwuteownika (wymiar całkowity profilu)
- b [mm] – szerokość półki
- tw [mm] – grubość środnika
- tf [mm] – grubość półki
- r [mm] – promień zaokrąglenia u nasady półki (promień przejścia półka–środnik)
- A [cm²] – pole powierzchni przekroju poprzecznego
- G [kg/m] – masa jednostkowa (ciężar właściwy na 1 metr długości)
- U [m²/m] – powierzchnia rozwinięta/obwodowa na 1 m długości (potrzebna np. do obliczeń antykorozyjnych/malowania)
Własności względem osi x–x (zginanie w płaszczyźnie środnika):
- Ix [cm⁴] – geometryczny moment bezwładności względem osi x–x
- Wx [cm³] – wskaźnik wytrzymałości na zginanie względem osi x–x
- ix [cm] – promień bezwładności względem osi x–x
Własności względem osi y–y ( zginanie w płaszczyźnie półek):
- Iy [cm⁴] – geometryczny moment bezwładności względem osi y–y
- Wy [cm³] – wskaźnik wytrzymałości na zginanie względem osi y–y
- iy [cm] – promień bezwładności względem osi y–y
Zastosowanie dwuteowników HL
Dwuteowniki HL stosuje się w sytuacjach, gdy inne profile, takie jak IPE, HEA lub HEB, okazują się niewystarczające. Idealnie sprawdzają się w konstrukcjach o wysokich wymaganiach statycznych, takich jak:
1. Konstrukcje hal i obiektów przemysłowych
Stosowane jako:
- belki główne,
- słupy nośne,
- rygle o dużych rozpiętościach.
Ich wysoka sztywność ogranicza ugięcia nawet przy dużych obciążeniach.
2. Konstrukcje mostowe
Dwuteowniki HL są często używane jako dźwigary mostowe, belki podporowe i elementy węzłowe, gdzie wymagana jest wysoka nośność oraz odporność na zmienne warunki obciążenia.
3. Wielokondygnacyjne budynki i obiekty inżynieryjne
Profile te stosowane są w:
- słupach o dużej smukłości,
- belkach stropowych i podciągach,
- konstrukcjach wymagających minimalnych ugięć i dużej stabilności bocznej.
4. Dźwigary i wiązary dachowe
Duże momenty bezwładności oraz szerokie półki półek poprawiają odporność na momenty skręcające i wyboczenie.
Zalety stosowania dwuteowników HL
- bardzo wysoka nośność i sztywność,
- możliwość stosowania przy dużych obciążeniach pionowych i poziomych,
- odporność na wyboczenia dzięki szerokim półkom,
- łatwość projektowania i dobierania parametrów,
- duża dostępność odmian i mas, pozwalająca na optymalizację konstrukcji,
- możliwość stosowania jako belki, słupy i elementy nośne o dużych rozpiętościach.






