Dwuteowniki typu HEA to popularne profile stalowe o przekroju w kształcie litery „H”, stanowiące elementy konstrukcyjne powszechnie stosowane w budownictwie stalowym i żelbetowo-stalowym. W budowlanym żargonie dzielą się one na trzy główne serie: HEA (lekka), HEB (średnia) oraz HEM (ciężka). W niniejszym artykule przyjrzymy się bliżej właśnie serii HEA — ich budowie, oznaczeniom, charakterystyce oraz typowym zastosowaniom.
Budowa i oznaczenie profilu HEA
Oznaczenie „HEA” pochodzi od angielskiego H-beam European, serii „A” (czyli lekkiej) — co wskazuje na mniej masywną konstrukcję w porównaniu do HEB czy HEM.
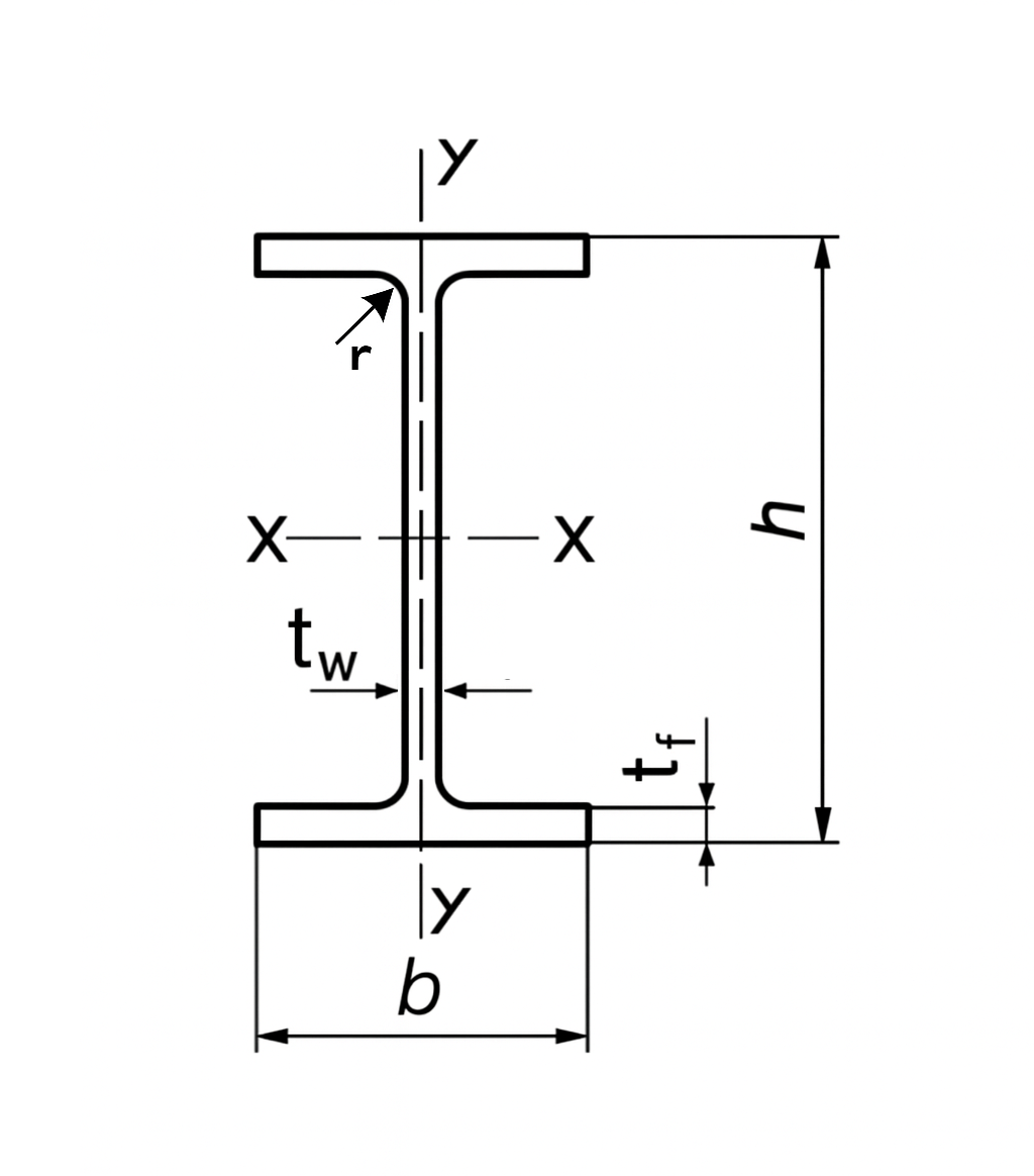
Profil HEA ma następujące cechy:
- wysoka główna belka o wysokości h [mm],
- szerokie półki o szerokości b [mm],
- stosunkowo cienki środnik o grubości tw,
- grubość półki tf
- promień zaokrąglenia u nasady półki r [mm].
Symbol profilu wygląda np. „HEA 200” — oznacza to, że nominalna wysokość profilu wynosi około 200 mm.
Dwuteowniki HEA – dane katalogowe
| Symbol | Wymiary | A [cm²] |
G [kg/m] |
Oś x–x | Oś y–y | ||||||||
|---|---|---|---|---|---|---|---|---|---|---|---|---|---|
| h [mm] |
b [mm] |
tw [mm] |
tf [mm] |
r [mm] |
Ix [cm⁴] |
Wx [cm³] |
ix [cm] |
Iy [cm⁴] |
Wy [cm³] |
iy [cm] |
|||
| HEA 100 | 96 | 100 | 5 | 8 | 12 | 21.2 | 16.7 | 349.2 | 72.76 | 4.06 | 133.8 | 26.76 | 2.51 |
| HEA 120 | 114 | 120 | 5 | 8 | 12 | 25.3 | 19.9 | 606.2 | 106.3 | 4.89 | 230.9 | 38.48 | 3.02 |
| HEA 140 | 133 | 140 | 5.5 | 8.5 | 12 | 31.4 | 24.7 | 1033 | 155.4 | 5.73 | 389.3 | 55.62 | 3.52 |
| HEA 160 | 152 | 160 | 6 | 9 | 15 | 38.8 | 30.4 | 1673 | 220.1 | 6.57 | 615.6 | 76.95 | 3.98 |
| HEA 180 | 171 | 180 | 6 | 9.5 | 15 | 45.3 | 35.5 | 2510 | 293.6 | 7.45 | 924.6 | 102.7 | 4.52 |
| HEA 200 | 190 | 200 | 6.5 | 10 | 18 | 53.8 | 42.3 | 3692 | 388.6 | 8.28 | 1336 | 133.6 | 4.98 |
| HEA 220 | 210 | 220 | 7 | 11 | 18 | 64.3 | 50.5 | 5410 | 515.2 | 9.17 | 1955 | 177.7 | 5.51 |
| HEA 240 | 230 | 240 | 7.5 | 12 | 21 | 76.8 | 60.3 | 7763 | 675.1 | 10.05 | 2769 | 230.7 | 6.00 |
| HEA 260 | 250 | 260 | 7.5 | 12.5 | 24 | 86.8 | 68.2 | 10450 | 836.4 | 10.97 | 3668 | 282.1 | 6.50 |
| HEA 280 | 270 | 280 | 8 | 13 | 24 | 97.3 | 76.4 | 13670 | 1012.83 | 11.86 | 4763 | 340.2 | 7.00 |
| HEA 300 | 290 | 300 | 8.5 | 14 | 27 | 112.5 | 88.3 | 18260 | 1259.55 | 12.74 | 6310 | 420.6 | 7.49 |
| HEA 320 | 310 | 300 | 9 | 15.5 | 27 | 124.4 | 97.6 | 22930 | 1479.26 | 13.58 | 6985 | 465.7 | 7.49 |
| HEA 340 | 330 | 300 | 9.5 | 16.5 | 27 | 133.5 | 105 | 27690 | 1678.36 | 14.40 | 7436 | 495.7 | 7.46 |
| HEA 360 | 350 | 300 | 10 | 17.5 | 27 | 142.8 | 112 | 33090 | 1890.84 | 15.22 | 7887 | 525.8 | 7.43 |
| HEA 400 | 390 | 300 | 11 | 19 | 27 | 159.0 | 125 | 45070 | 2311.25 | 16.84 | 8564 | 570.9 | 7.34 |
| HEA 450 | 440 | 300 | 11.5 | 21 | 27 | 178.0 | 140 | 63720 | 2896.44 | 18.92 | 9465 | 631.0 | 7.29 |
| HEA 500 | 490 | 300 | 12 | 23 | 27 | 197.5 | 155 | 86970 | 3549.99 | 20.98 | 10370 | 691.1 | 7.24 |
| HEA 550 | 540 | 300 | 12.5 | 24 | 27 | 211.8 | 166 | 111900 | 4145.64 | 22.99 | 10820 | 721.3 | 7.15 |
| HEA 600 | 590 | 300 | 13 | 25 | 27 | 226.5 | 178 | 141200 | 4786.71 | 24.97 | 11270 | 751.4 | 7.05 |
| HEA 650 | 640 | 300 | 13.5 | 26 | 27 | 241.6 | 190 | 175200 | 5474.38 | 26.93 | 11720 | 781.6 | 6.97 |
| HEA 700 | 690 | 300 | 14.5 | 27 | 27 | 260.5 | 204 | 215300 | 6240.62 | 28.75 | 12180 | 811.9 | 6.84 |
| HEA 800 | 790 | 300 | 15 | 28 | 30 | 285.8 | 224 | 303400 | 7682.09 | 32.58 | 12640 | 842.6 | 6.65 |
| HEA 900 | 890 | 300 | 16 | 30 | 30 | 320.5 | 252 | 422100 | 9484.83 | 36.29 | 13550 | 903.2 | 6.50 |
| HEA 1000 | 990 | 300 | 16.5 | 31 | 30 | 346.8 | 272 | 553800 | 11190 | 39.96 | 14000 | 933.6 | 6.35 |
*Wartości mają charakter poglądowy. Przed użyciem w obliczeniach należy je zweryfikować wg DIN 1025-3, EN 10365 oraz EN 10034
HEA – oznaczenie symboli
- h [mm] – wysokość dwuteownika (wymiar całkowity profilu)
- b [mm] – szerokość półki
- tw [mm] – grubość środnika
- tf [mm] – grubość półki
- r [mm] – promień zaokrąglenia u nasady półki (promień przejścia półka–środnik)
- A [cm²] – pole powierzchni przekroju poprzecznego
- G [kg/m] – masa jednostkowa (ciężar właściwy na 1 metr długości)
- U [m²/m] – powierzchnia rozwinięta/obwodowa na 1 m długości (potrzebna np. do obliczeń antykorozyjnych/malowania)
Własności względem osi x–x (zginanie w płaszczyźnie środnika):
- Ix [cm⁴] – geometryczny moment bezwładności względem osi x–x
- Wx [cm³] – wskaźnik wytrzymałości na zginanie względem osi x–x
- ix [cm] – promień bezwładności względem osi x–x
Własności względem osi y–y ( zginanie w płaszczyźnie półek):
- Iy [cm⁴] – geometryczny moment bezwładności względem osi y–y
- Wy [cm³] – wskaźnik wytrzymałości na zginanie względem osi y–y
- iy [cm] – promień bezwładności względem osi y–y
Charakterystyka techniczna
Profil HEA dzięki swojej budowie oferuje następujące właściwości:
- Relatywnie lekka masa jednostkowa w porównaniu do cięższych profili (HEB, HEM) — co może być zaletą przy ograniczeniach wagowych lub ekonomicznych.
- Szerokie półki i odpowiedni środnik pozwalają na dobre przenoszenie momentów zginających wokół osi głównej (x-x).
- Typowe wartości jak Iₓ, Wₓ, iₓ, Iᵧ, Wᵧ, iᵧ umożliwiają projektowanie konstrukcji stalowych w oparciu o normy (np. EN 10365:2017, EN 1993).
- Dzięki lżejszej konstrukcji niż profil HEB lub HEM, HEA sprawdza się dobrze w konstrukcjach o umiarkowanych obciążeniach, gdzie dużą wagę ma optymalizacja kosztów oraz uproszczone połączenia konstrukcyjne.
Zastosowanie dwuteowników HEA
Profil HEA znajduje zastosowanie w różnych konstrukcjach. Przykładowe zastosowania to:
- belki główne i podciągi w budynkach stalowych,
- ramy i konstrukcje nośne hal przemysłowych, magazynowych, logistycznych,
- konstrukcje pomocnicze: dźwigary, nadproża, podciągi stalowe,
- konstrukcje wsporcze dla maszyn, urządzeń czy instalacji lekkich,
Porównanie serii HEA / HEB / HEM
- HEA: lekka seria – niższa masa, odpowiednia dla umiarkowanych obciążeń.
- HEB: średnia – najbardziej uniwersalna, kompromis między masą a nośnością.
- HEM: ciężka – stosowana w konstrukcjach o bardzo dużych obciążeniach, dużych wyboczeniach, wymagających masywnych przekrojów.
Normy, gatunki stali i uwagi projektowe
Profile HEA produkowane są zgodnie z normą EN 10365:2017 – „Rolled steel channels, I and H sections – Dimensions and masses”.
Typowe gatunki stali konstrukcyjnej dla takich profili to: S235JR, S275JR, S355J2, a w konstrukcjach specjalnych — stal o wysokiej wytrzymałości (np. S460M).
Przy projektowaniu należy uwzględnić: wyboczenie, skręcanie, warunki połączeń (spawanie, śruby), warunki montażowe, a także ewentualną korozję i ochronę antykorozyjną.






